Diag Manuals
CNH EST 9.11 Engineering Level Electronic Service Tool + eTimGo offline AG CE 2025
$350.00Unit price /UnavailableLow stock (10 units)DiagManuals
CNH EST 9.11 up7 Engineeering level 2024
$150.00Unit price /UnavailableLow stock (10 units)DiagManuals
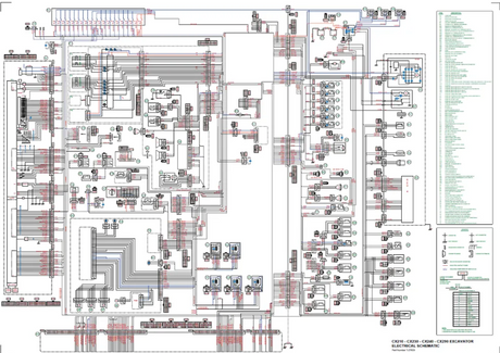
CASE CONSTRUCTION PARTS NA 2017 2DVD
$70.00Unit price /UnavailableLow stock (10 units)DiagManuals
CASE AGRICULTURE SERVICE MANUALS 55GB
$90.00Unit price /UnavailableLow stock (10 units)DiagManuals
Case Agriculture & Construction Equipment Service Manuals Package 140.3GB
$90.00Unit price /UnavailableLow stock (10 units)