DEUTZ FAHR SERVICE MANUALS
DEUTZ FAHR SERVICE MANUALS is backordered and will ship as soon as it is back in stock.
Couldn't load pickup availability
✅ Complimentary Remote Setup (via TeamViewer)
🔒 Permanent License (One-time payment)
🛠️ Lifetime Tech Support
Delivery and Shipping
Delivery and Shipping
Software:
Remote installation via TeamViewer
Manuals:
Digital download
Laptops:
Free Shipping Worldwide FedEx Express
Description
Description
Description
| Brands | Deutz Fahr |
| Type |
Repair manual service. |
| Total size installed | 2GB |
| License | Lifetime |
| Language | English, Spanish, German, Italian, French, Portuguese, Etc. |
| OS | Windows 7/10/11 |
| Procedure | Web download and online installation through TeamViewer ( remote installation) |
|
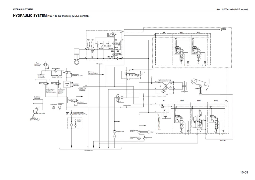
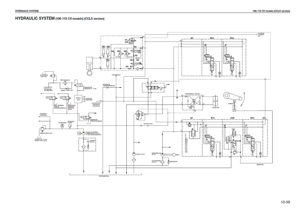
What is DEUTZ FAHR? DEUTZ FAHR SERVICE MANUALS are technical documents that provide detailed information on the maintenance, repair, adjustments, and operation of tractors and agricultural equipment manufactured by DEUTZ FAHR. These manuals are essential tools for owners, technicians, and operators of DEUTZ FAHR equipment, as they provide precise and specific instructions to ensure proper operation and effective maintenance of the equipment. The workshop manuals, operation and maintenance manuals, and standard workshop times for Deutz-Fahr tractors are available. These technical documents provide a comprehensive guide for servicing and maintaining Deutz-Fahr tractors, offering detailed instructions and extensive information on operating and maintenance procedures, as well as standard timeframes for workshop tasks. These manuals serve as essential tools for owners, technicians, and operators of Deutz-Fahr equipment, ensuring proper functioning and effective maintenance of the machinery. Workshop Manuals |
Payment & Security
Payment methods
Your payment information is processed securely. We do not store credit card details nor have access to your credit card information.

















